PRODUCTS CENTER
一、功能简介
本系列齿轮泵采用了斜齿轮后,其噪音低,流量大,脉冲小,动转平稳。广泛用于人造、胶合板机械、林业机械、像塑机械等低于2.5MPa的液压系统中,也可用于油站、油田的大流量输油。经防蚀处理后,可大流量输送水,作水泵用。
二、型号说明
三、技术参数
| 型号 | 额定流量 L/min | 额定压力 MPa | 额定转速 r/min | 容积效率 ηv% | 总效率 ηt% | 进油口 | 出油口 | 驱动功率 kw |
| DCB-B160 | 160 | 2.5 | 1450 | ≥90 | ≥80 | Z2" | Z11/2" | 8.2 |
| DCB-B200 | 200 | 10.1 | ||||||
| DCB-B250 | 250 | 13 | ||||||
| DCB-B300 | 300 | 15 | ||||||
| DCB-B350 | 350 | 17 | ||||||
| DCB-B400 | 400 | 20 | ||||||
| DCB-B500 | 500 | Z2" | Z2" | 24 |
| 型号 | 额定流量 L/min | 额定压力 MPa | 额定转速 r/min | 容积效率 ηv% | 总效率 ηt% | 进油口 | 出油口 | 驱动功率 kw |
DCB-B600 | 600 | 2.5 | 1450 | ≥90 | ≥80 | Z21/2" | Z21/2" | 29 |
DCB-B700 | 700 | 32 | ||||||
DCB-B800 | 800 | 37 | ||||||
DCB-B900 | 900 | 42 | ||||||
DCB-B1000 | 1000 | 49 |
四、技术规格
| 型号 | DCB-B160 | DCB-B200 | DCB-B250 | DCB-B300 | DCB-B350 | DCB-B400 | DCB-B500 |
| H | 186 | 210 | 228 | 245 | 263 | 280 | 316 |
型号 | DCB-B600 | DCB-B700 | DCB-B800 | DCB-B900 | DCB-B1000 |
H | 355 | 375 | 395 | 415 | 435 |
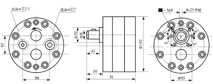
五、外形及安装尺寸
DCB-B160-500低噪音大流量液压齿轮泵安装尺寸图

上一篇:DHB系列点火油泵/增压燃油泵
下一篇:GZB-63-JL滚子变量泵
2022-03
KCB齿轮油泵盘根填料与轴直接接触,且相对转动,会造成轴与轴套的磨...
2022-02
NCB内啮合齿轮泵泵体可转向,进出口位置成直角,便于选配进出口位置...
2022-01
罗茨油泵属于转子结构高粘度输送泵,齿轮泵属于渐开线齿轮结构,两...
2021-12
G型单螺杆泵在我们石化行业上应用很多,它是一种容积泵,主要由电机...
|
|