风冷式热油泵,罗茨油泵,三螺杆泵,不锈钢齿轮泵,沥青保温泵,高粘度转子泵_泊头市海鸿泵阀有限公司
BB-B摆线齿轮泵

产品名称:

产品描述:

BB-B摆线齿轮泵

BB-B型摆线齿轮油泵是一种容积式内啮合齿轮油泵,由于该泵结构简单、噪音低、输油平稳、高转速、自吸性能好,广泛适用于2.5MPa以下的液压系统,亦可作为动力泵和润滑泵....

详细介绍:

●BB-B摆线齿轮泵概述
BB-B型摆线齿轮油泵是一种容积式内啮合齿轮油泵,由于该泵结构简单、噪音低、输油平稳、高转速、自吸性能好,广泛适用于2.5MPa以下的液压系统,亦可作为动力泵和润滑泵。
●BB-B摆线齿轮泵说明
BB-B型摆线油泵分内泄漏和外泄漏两种油泵,订货时请说明!额定压力:2.5MPa 转速:1450r/min。BB-B*Y型是带   阀的。
BB-B摆线齿轮泵内部结构

BB-B摆线齿轮泵性能参数

型号

流量 L/min

压力 MPa

转速 r/min

压力脉动 MPa

容积效率 µv%

驱动功率 kw

BB-BBB-BY

4

4

2.5

1500

0.15

≥ 80

0.21

6

6

0.31

10

10

0.51

BB-BBB-BY

16

16

≥ 90

0.82

20

20

1.02

25

25

1.30

32

32

1.65

BB-BBB-BY

40

40

≥ 90

2.10

50

50

2.60

63

63

3.30

BB-BBB-BY

80

80

≥ 90

4.10

100

100

5.10

125

125

6.50

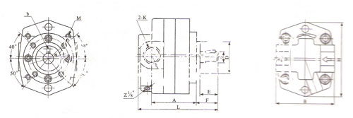
技术规格

型号

A

B

E

F

H

L

D

d

ф

b

M

K

BB-B4

50

72

25

30

92

94

ф 35

ф 12

ф 50

4

M6

Z 3/8

BB-B6

55

99

BB-B10

64

108

BB-B16

72

95

30

35

117

127

ф

50

ф 16

ф 65

5

M8

Z 3/4&

BB-B20

76

131

BB-B25

81

136

BB-B32

88

143

BB-B40

85

110

32

37

134

144

ф 55

ф 22

ф 80

6

M8

Z 3/4

BB-B50

90

149

BB-B63

97

156

BB-B80

102

130

40

40

154

175

ф 70

ф 30

ф

95

8

M8

进 Z1 1/4

BB-B100

109

182

BB-B125

118

191

出 Z1

  • 06

    2021-11

    卫生级凸轮转子泵不锈钢高粘度泵产品开发性能好

    卫生级凸轮转子泵依靠两同步反向转动的转子(齿数为2-4)在旋转过程中于...

  • 06

    2021-05

    提高高粘度转子泵运行可靠性的途径及抽空产生的破坏效应

    因为化工生产都是在特定的情况下使用的,一般在正常使用的过程中需...

  • 02

    2021-05

    高粘度螺杆泵采油技术应用现状同集成智能化工况测试技术

    随着螺杆泵综合配套工艺的不断完善,螺杆泵油井的检泵周期不断延长...

  • 28

    2021-04

    高粘度泵机械密封检修问题与设备的多级维修

    石油化工生产过程中,如若高粘度齿轮泵的传感器部分出现问题,会导...

  • 咨询热线:0317-8317222 8295560 8183968 8259233 
    手 机: 15094406293(微信同号) 15076792831(微信同号) 
    邮箱:btbengyepump@163.com
    地址:河北省沧州市泊头市经济开发区一号路北
    Copyright © 2016 - 2017 泊头市海鸿泵阀有限公司 All Right Reserved. www.bthhbf.com 
    冀ICP备11024591号-1
    泊头市海鸿泵阀有限公司为您提供各种型号泵阀,欢迎广大顾客前来选购,我们将为您提供优良的产品及服务!